中文
EN
首頁
公司簡介
產品專區
品質管理
連接器介紹
聯絡我們
產品專區
產品專區
SFP 連接器
SFP
SFP+
QSFP
XFP
RJ 連接器
RJ45 ICM 系列
RJ45連接器系列
RJ11連接器系列
RJ9連接器系列
ETHERNET TRANSFORMER
10 / 100 TYPE
1G TYPE
2.5G TYPE
10G TYPE
SO DIMM 連接器
DDR4/90° 系列
DDR4/180° 系列
DDR5/90° 系列
USB2.0 連接器
A TYPE 系列
B TYPE 系列
MICRO B 系列
MICRO AB 系列
MINI B 系列
MINI AB 系列
USB 3.0 連接器
A TYPE 系列
B TYPE 系列
PLUG 系列
INTERNAL 系列
USB 3.1 連接器
A TYPE - FEMALE
TYPE C - MALE
TYPE C - FEMALE
USB3.2連接器
TYPE C Female
TYPE C Male
USB4.0 連接器
TYPE C
TYPE E
SATA 連接器
7PIN 系列
15PIN 系列
7+7+2PIN 系列
7+15PIN 系列
7+6PIN 系列
SAS 系列
HDMI2.1 連接器
A TYPE / 90° 系列
D TYPE / 90° 系列
HDMI 連接器
A TYPE / 90° 系列
A TYPE / 夾板式系列
A TYPE / 側立式系列
A TYPE / 沉板式系列
A TYPE / 直立式系列
C TYPE / 90° 系列
D TYPE / 90° 系列
轉換器系列
堆疊式系列
MEMORY CARD 連接器
SD 系列
MICRO SD 系列
SIM CARD 系列
NANO SIM CARD 系列
MICRO SIM CARD 系列
M.2(NGFF) 連接器
A KEY
B KEY
E KEY
M KEY
SCREW
STAND OFF
MINI PCI-E 連接器
0.8 Pitch 系列
MINI PCI 連接器
0.8 Pitch 系列
PCI-E 連接器
PCI-E
DISPLAYPORT 連接器
Female / 90 度
Male Plug
DISPLAYPORT + HDMI
D-SUB 連接器
2.00mm系列
3.08mm 系列
5.08mm系列
6.00mm 系列
8.08mm 系列
8.89mm 系列
13.4mm 系列
SLIM TYPE
直立式 系列
架高式 系列
DVI 連接器
單層系列
雙層系列
FPC 連接器
掀蓋式系列
抽屜式系列
直立式系列
無蓋式系列
FFC 軟排線系列
SWITCH 連接器
TACT SWITCH
SLIDE SWITCH
PUSH SWITCH
PHONE JACK 連接器
90° 系列
180° 系列
IEEE 1394 連接器
9 PIN 系列
6 PIN系列
RCA 連接器
1x1 系列
1x2 系列
2x2 系列
DC JACK 連接器
90° TYPE
180° TYPE
銅柱
M2
M3
M4
M25
N
首頁
產品專區
RJ 連接器
RJ45 ICM 系列
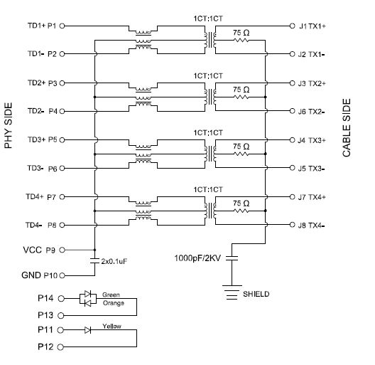
2.5G Base-T / 90° TYPE
請聯繫我們獲取更多產品資訊。
WRJ-DKN1T826W-D4Y
WRJ-DKN1S826W-D4Y
WRJ-LFN4T813-GD1P(N)
WRJ-RN1T897C-GD1
WRJ-GIN1T82
WRJ-1108C10586
WRJ-1108C10586-1
Top
×